Котел 1860 кВт твердотопливный в Узынагаш

Твердотопливный котел 1860 кВт
Котел 1860 кВт твердотопливный
Котел 1860 кВт твердотопливный с колосниками чертеж
Котел 1860 кВт твердотопливный чертеж
Твердотопливный котел с золоуловителем 1860 кВт
Котел 1860 кВт твердотопливный с золоуловителем
Твердотопливный промышленный котел 1860 кВт - изготовление
Изготовление твердотопливного промышленного котла 1860 кВт
Твердотопливный котел 1860 кВт - изготовление
Изготовление твердотопливного котла 1860 кВт
Твердотопливные котлы 1860 кВт - производство
Производство твердотопливных котлов 1860 кВт
Котел твердотопливный 1860 кВт - обмуровка
Обмуровка твердотопливного котла 1860 кВт
Шибер газохода к твердотопливному котлу 1860 кВт
Шибер газохода твердотопливного котла 1860 кВт
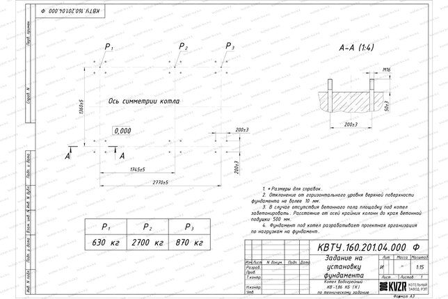
Чертеж изготовления фундамента котла 1860 кВт твердотопливного с колосниками
Чертеж фундамента котла 1860 кВт твердотопливного
Твердотопливный котел 1860 кВт
Котел 1860 кВт твердотопливный с колосниками чертеж
Твердотопливный котел с золоуловителем 1860 кВт
Твердотопливный промышленный котел 1860 кВт - изготовление
Твердотопливный котел 1860 кВт - изготовление
Твердотопливные котлы 1860 кВт - производство
Котел твердотопливный 1860 кВт - обмуровка
Шибер газохода к твердотопливному котлу 1860 кВт
Чертеж изготовления фундамента котла 1860 кВт твердотопливного с колосниками
Цена
8 089 920 ₸
От 8 089 920 ₸ с доставкой до г.
Логотип WhatsApp Связаться
по WhatsApp
  • Самая простая модель с ручной колосниковой топкой
  • Удобно размещается в маленьких помещениях котельных
  • Работает с дымососом и вентилятором
  • Тяга и дутье регулируются шиберами, входящими в комплект поставки
  • Повышенная надежность работы котла обеспечивается изготовлением трубной системы из трубы сталь 10-20

Технические характеристики

МаркаКотел 1860 кВт твердотопливный
ВидВодогрейный
Тип отопительного котлаТвердотопливный
БрендHEATEXPERT
ТипКотел КВр
Вид топкиРучная, Колосники
Максимальная тепловая мощность1.86 МВт
Максимальная тепловая мощность1860 кВт
Максимальная тепловая мощность1.6 Гкал
Диапазон регулирования мощности50-100 %
ТопливоТвердое, Уголь
Низшая теплота сгорания проектного топлива5230 кКал/кг
КПД котла на УГЛЕ, не менее80 %
Расход УГЛЯ среднечасовой за отопительный сезон208.9 кг/ч
Расход УГЛЯ при максимальной нагрузке котла365 кг/ч
Расход условного топлива273 кг/ч
Минимальная температура воды на входе в котел55 °С
Максимальная температура воды на выходе из котла115 °С
Давление воды, не более0.3-0.6 (3-6) МПа (кгс/см²)
Номинальный расход теплоносителя64 м³/ч
Расход теплоносителя через котел min-max48-80 м³/ч
Гидравлическое сопротивление при номинальном расходене более 0.07 (0.7) МПа (кгс/см²)
Аэродинамическое сопротивление230 (23.45) Па (мм. вод. ст.)
Разряжение в топочной камере20-40 (2-4) Па (мм. вод. ст.)
Объем уходящих газов8000 м³/ч
Температура уходящих газов220 °С
ТягаУравновешенная
Водяной объем котла1800 л
Объем топочной камеры4.49 м³
Размер топочной камеры, длина*ширина*высота1745х1360х1890 мм
Активная площадь решетки горения2.4 м²
Присоединительные размеры по водяному тракту125 Ду
Присоединительные размеры газохода уходящих газов, ширина*высота / сечение1010х250 / 0.25 мм/м²
Габаритные размеры котла, длина*ширина*высота3200х1950х2600 мм
Масса6000 кг
Конструкция котлаВодотрубная
Количество контуровОдноконтурный
РазмещениеНапольный
Тип камеры сгоранияОткрытый
УправлениеЭлектронное
Принцип работы твердотопливного котлаКлассический
ЭнергонезависимыйНет
Тип питанияТрехфазное
Встроенный циркуляционный насосНет
Встроенный расширительный бакНет
ЭнергоэффективностьВысокая
Отапливаемая площадьот 15700 до 20400 м²
Отапливаемый объемот 47000 до 61000 м³
Размеры корпуса котла, длина*ширина*высота мм

Котел 1860 кВт твердотопливный в Узынагаш

Промышленный твердотопливный котел мощностью 1860 кВт – современный, компактный, горизонтального расположения, с ручной загрузкой топлива, предназначен для отопления и горячего водоснабжения бытовых зданий и промышленных котельных.

Водогрейный котел 1860 кВт на твердом топливе имеет следующие технические характеристики:

  • мощность – 1.86 МВт, 1860 кВт, 1,6 Гкал;
  • топливо - твердое, каменный и бурый уголь;
  • температура - до 115 °С;
  • давление - 0.3 – 0.6 МПа.

Котел 1860 кВт на твердом топливе устройство

Стальной отопительный твердотопливный котел 1860 кВт состоит из топочной и конвективной частей, расположенных горизонтально.

Топочная часть. Камера горения изготовлена из стальных водозаполненных панелей для исключения перегрева конструкции. Топка выполнена в газоплотном исполнении. Газоплотность исключает присосы холодного воздуха в топочную часть и выход дымовых газов в котельный зал.

Чугунные колосники укладываются в топку и образуют колосниковую решетку, необходимую для поддержания слоя топлива. Колосники имеют щелевидные отверстия, которые снизу расширяются. Отверстия необходимы для провала золы и шлака в зольник и подвода воздуха на горение. Подвод воздуха осуществляется принудительно при помощи вентилятора. Расход воздуха регулируется шибером.

Конвективная часть. Конвективная поверхность нагрева выполнена из параллельно установленных в шахматном порядке труб. Шахматное расположение способствует более полному омыванию труб горячими газами.

Развитая конвективная часть снижает температуру уходящих газов на выходе из теплоагрегата до 200-180 °С. Горячие газы, проходя плотную конвективную ступень, максимально отдают тепло теплоносителю, позволяя экономить на топливе. Очистка поверхностей нагрева проводится через люки в обшивке.

Множественные перегородки увеличивают скорость потока воды в трубной системе водонагревательного котла. Это исключает застойные зоны и перегрев поверхностей нагрева. Для выпуска воздуха при заполнении котла водой во всех верхних коллекторах установлены штуцера с запорной арматурой.

Для продувки и дренажа в нижних коллекторах установлены дренажные штуцера с запорной арматурой. Стационарный нагревательный котел 1,86 МВт изготавливается со съемной, облегченной теплоизоляцией из плит ПТЭ. Обшивка производится из стальных листов.

Принцип работы твердотопливных котлов 1860 кВт

Уголь в водогрейный колосниковый котел 1 86 МВт на твердом топливе укладывается через чугунную дверку, расположенную на фронте теплогенератора. Распределение свежего угля по колосниковой решетке должно быть равномерным высотой не более 200 мм.

Образующиеся в камере горения дымовые газы выходят через окно на задней стенке топки, проходят две конвективных ступени и выводятся в выходное окно на задней стенке котлоагрегата. На выходном окне установлен поворотный шибер, позволяющий регулировать тягу.

Зола и шлак из зольника через дверку выгребаются и удаляются в отвал.

Регулирование мощности котла

Регулировка производительности и температуры производственного теплового котла 1860 кВт на твердом топливе производится изменением количества забрасываемого топлива и подачи воздуха. Подача воздуха регулируется шибером вентилятора. Тяга настраивается регулировкой шибера на дымоходе за котлом.

Комплект поставки

Цена на напольные котлы 1.86 МВт на твердом топливе включает базовую комплектацию. В состав базовой комплектации входит: котельный блок, топка, колосники, затворы, предохранительные клапаны, вентили, манометры, термометры, трехходовые краны.

Дополнительная комплектация

  • автоматика – обеспечивает управление и безопасность котла;
  • дымосос – создает разряжение в котле и исключает попадание дыма в помещение;
  • золоуловитель – применяется для улавливания золы из дымовых газов;
  • циркуляционный насос - обеспечивает циркуляцию воды в котлоагрегате;
  • подпиточный насос – позволяет пополнять объем теплоносителя в контуре;
  • дымовая труба – удаляет дымовые газы от котла за пределы помещения и рассеивает их в атмосфере. Подбирается по техзаданию.

Купить твердотопливный котел 1860 кВт

Для того чтобы купить твердотопливный водогрейный котел 1860 кВт российского производства в Узынагаш, вы можете сделать заявку по телефону +7-7172-69-59-73, либо оформить заявку онлайн. Менеджеры дадут консультацию по подбору вспомогательного оборудования для выбранных вами моделей и рассчитают стоимость доставки. Транспортирование котлоагрегата и вспомогательного оборудования до объекта осуществляется автомобильным транспортом.

Комплект поставки

Вентилятор
Вентилятор 4 с дв. 5,5/1500
1 штука
Затвор Ду 125
Затвор Ду 125
2 штуки
Колосники котлов
Колосник 1180x220
8 штук
Предохранительный клапан 17с28нж Ду 50
Клапан предохранительный 17с28нж Ду 50
1 штука
Клапан обратный
Клапан обратный
1 штука
Манометр МП 160
Манометр МП 160
2 штуки
Кран трехходовой ДУ 15
Кран Ду 15
2 штуки
Термометр ТТЖО
Термометр ТТЖО
2 штуки
Оправа термометра ОПТ
Оправа ОПТ
2 штуки
Вентиль Ду 20
Вентиль Ду 20
8 штук
Вентиль Ду 25
Вентиль Ду 25
6 штук

Дополнительно потребуется

Насос К консольный
К 100-80-160а
Цена 595 932 тг.
Насос К консольный
К 65-50-160а
Цена 388 596 тг.
Насос TD
Насос TD65-34G2 (7.5 кВт)
Цена 1 238 292 тг.
Насос TD
Насос TD80-32G2 (11 кВт)
Цена 1 870 476 тг.
Насос CHL
Насос CHL8-30 (1.1 кВт)
Цена 618 828 тг.
Дымосос ДН 8
Цена 1 380 756 тг.
Золоуловитель ЗУ 1.6
Цена 438 840 тг.

Похожая продукция

Котел 1860 кВт дрова уголь
Цена 8 178 960 тг.
Твердотопливный котел 1630 кВт
Цена 6 417 240 тг.
Твердотопливный котел 2000 кВт
Цена 8 388 840 тг.

Сертификаты товара

Сертификат на водогрейные котлы на твердом и жидком топливе
Сертификат на водогрейные котлы на твердом топливе

Собственное производство

Котельный завод производит
  • Паровые котлы от 300 кг до 2.5 тонны пара в час
  • Промышленные водогрейные котлы от 150 КВт до 4 МВт на всех видах топлива
  • Механические топки ТШПМ, шурующая планка и ТЛПХ, ленточное полотно прямого хода
  • Циклоны для очистки воздуха и дымовых газов для производств и промышленных отраслей
  • Транспортеры и системы топливоподачи и шлакоудаления
Подробнее о производстве
Собственное производство
Смотреть видео
с производства